90,00 zł
Opis
Ostrze do piły tarczowej Eco for Aluminium to najlepszy wybór w przypadku cięcia aluminium
- Ostrzone na całej powierzchni zęby zapewniają sprawne i łatwe cięcie
- Dobrze dobrane zęby gwarantują dobrą trwałość
- Otwór działa z pierścieniami redukcyjnymi lub bez nich, stosownie do potrzebnego rozmiaru.
-
Ostrze do piły tarczowej Eco for Aluminium to najlepszy wybór w przypadku cięcia aluminium
- Dobrze dobrane zęby gwarantują dobrą trwałość
- Starannie kontrolowany proces produkcji zapewnia zgodność ze standardami niezawodności i jakości firmy Bosch
-
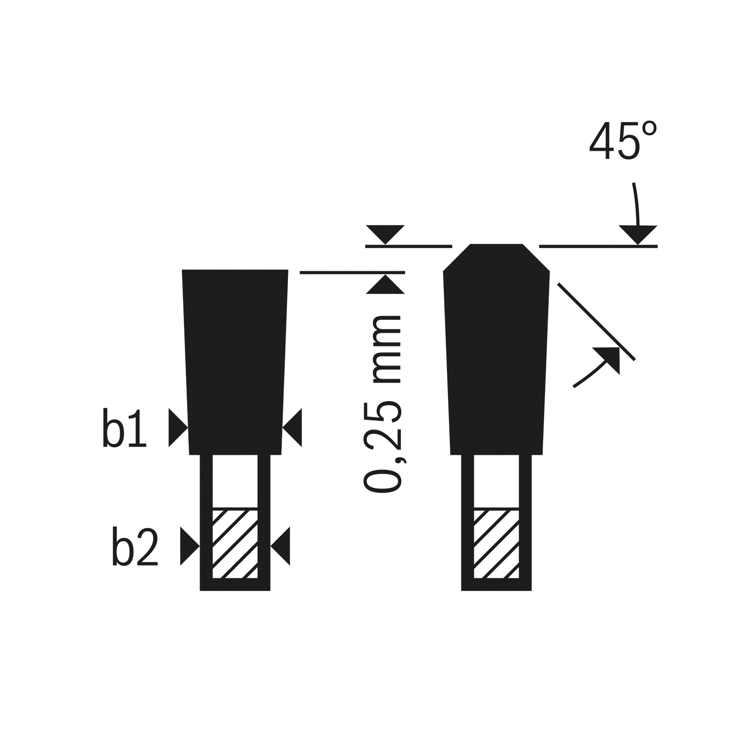
Szczegóły Średnica zewnętrzna mm 190 Otwór mm 20 Otwór z pierścieniem redukcyjnym mm 16 Szerokość cięcia (b1) mm / grubość korpusu (b2) mm 2,2/1,6 Liczba zębów 54 Kształt zębów TCG Maks. prędkość obrotowa (obr./min) 8000 Rezultat cięcia Bardzo dokładne cięcie Kąt natarcia ° α 5 Kąt przyłożenia ° β 13 - 2608644390
Informacje dodatkowe
| Waga | 0,3 kg |
|---|








